Home| FAQ Search:Advanced|Person|Company| Type|Class Login
Quick search:
Patent number:
Patent Date:
first    back  next  last
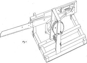
US Patent: 73,000
Improvement in sawing-machines
Patentee:
I. R. Harman (exact or similar names) - Whitestown, IN

USPTO Classifications:
83/762, 83/780

Tool Categories:
woodworking machines : reciprocating saws : drag saws

Assignees:
Thomas J. Meginnis - Whitestown, IN

Manufacturer:
Not known to have been produced

Witnesses:
Jonathan Moore
Nelson Moore

Patent Dates:
Granted: Jan. 07, 1868

Patent Pictures:
USPTO (New site tip)
Google Patents
Report data errors or omissions to steward Jeff Joslin

Copyright © 2002-2025 - DATAMP