US Patent: 4,461,603
|
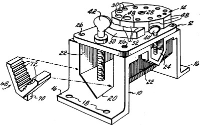
| Drilling fixture
|
|
Patentees:
|
| George Klee (exact or similar names) - Cincinnati, OH |
| George R. De Noma (exact or similar names) - Madeira, OH |
| Stephen L. Collier (exact or similar names) - Cincinnati, OH |
| Rodney J. Newman (exact or similar names) - Cincinnati, OH |
| Manufacturer: |
| Not known to have been produced |
|
|
Patent Dates:
|
| Applied: |
Mar. 19, 1982 |
| Granted: |
Jul. 24, 1984 |
USPTO (New site tip) Google Patents
Report data errors or omissions to steward
Jeff Joslin
|