Home| FAQ Search:Advanced|Person|Company| Type|Class Login
Quick search:
Patent number:
Patent Date:
first    back  next  last
US Patent: 36,707
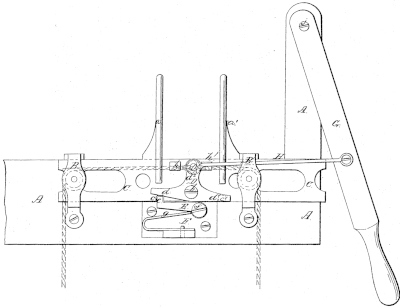
Improvement in belt-shippers
Patentee:
John C. Goar (exact or similar names) - Jamaica Plain, MA

USPTO Classifications:
474/127, 474/128

Tool Categories:
industrial machines : industrial machine mechanisms : industrial machine pulleys and belt drive mechanisms

Assignees:
None

Manufacturer:
Not known to have been produced

Witnesses:
Arthur Gore
John C. Gore, Sr.

Patent Dates:
Granted: Oct. 21, 1862

Patent Pictures:
USPTO (New site tip)
Google Patents
Report data errors or omissions to steward Jeff Joslin
Description:
According to Leander Bishop's "A History of American Manufactures from 1608 to 1860", in a section titled "Important Inventions in 1862", "This invention of Mr. Gore's obtained the Price Medal at the late London International Exhibition of 1862. It secures perfect and quick action of the belt, and in saving of Banding by its use it is said that it will more than reimburse its original cost in a few months' besides preventing accidents and danger to life which so frequently happen from the accidental shifting of machinery belts. By this invention the band is held securely upon the fast or loose pulley as desired, and is changed from one to the other by means of the ordinary lever or cord.—the guide being unlocked, shifted, and locked by one motion of the hand." The catalogue of the London Exhibition gives the exhibitor as "John Gore and Co." of Jamaica Plain.

From the 1862 Annual Report of the New York State Agricultural Society, where the Gore/Goar belt shifter had been exhibited. "John C. Gore, Jamaica Plains (sic), Massachusetts. A new method of shifting and securing belts on running machinery. The simplicity and cheapness by which a very necessary and desirable result is accomplished by this little device, has surprised every interested mechanic who examined it. The complete unanimity of the jury in awarding it the prize medal, and the universal applause of the public, betoken a sale and use of this instrument to an unparalleled extent in the history of inventions."

Despite the initial enthusiasm for this invention we have not found any evidence that it was manufactured.

See also patent 29,587.

Copyright © 2002-2026 - DATAMP