Home| FAQ Search:Advanced|Person|Company| Type|Class Login
Quick search:
Patent number:
Patent Date:
first    back  next  last
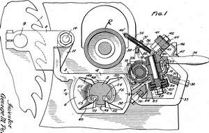
US Patent: 1,744,499
Mechanism for shifting the saws of gang edgers
Patentee:
George M. Pelton (exact or similar names) - Milwaukee, WI

USPTO Classifications:
74/404, 83/425.4

Tool Categories:
woodworking machines : sawmills

Assignees:
Filer & Stowell Co. - Milwaukee, WI

Manufacturer:
Filer & Stowell Co. - Milwaukee, WI

Witnesses:
Unknown

Patent Dates:
Applied: Aug. 26, 1925
Granted: Jan. 21, 1930

Patent Pictures:
USPTO (New site tip)
Google Patents
Report data errors or omissions to steward Jeff Joslin
Vintage Machinery entry for Filer & Stowell Co.

Copyright © 2002-2026 - DATAMP