Home| FAQ Search:Advanced|Person|Company| Type|Class Login
Quick search:
Patent number:
Patent Date:
first    back  next  last
US Patent: 2,580,307
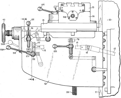
Milling machine feed drive transmission
Patentees:
Harry C. Kemper (exact or similar names) - Goshen Township, OH
Richard Knight Le Blond (exact or similar names) - Cincinnati, OH

USPTO Classifications:
74/333

Tool Categories:
metalworking machines : milling machines

Assignees:
R. K. LeBlond Machine Tool Co. - Cincinnati, OH

Manufacturer:
R. K. LeBlond Machine Tool Co. - Cincinnati, OH

Witnesses:
Unknown

Patent Dates:
Applied: Jun. 16, 1950
Granted: Dec. 25, 1951

Patent Pictures:
USPTO (New site tip)
Google Patents
Report data errors or omissions to steward Jeff Joslin
Vintage Machinery entry for R. K. LeBlond Machine Tool Co.
Description:
Mechanism for knee, saddle and table movements.

Copyright © 2002-2026 - DATAMP