Home| FAQ Search:Advanced|Person|Company| Type|Class Login
Quick search:
Patent number:
Patent Date:
first    back  next  last
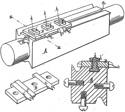
US Patent: 142,731
Improvement in cutter-heads for planing-machines
Patentee:
Ephraim G. Richards (exact or similar names) - Detroit, MI

USPTO Classifications:
144/224

Tool Categories:
woodworking machines : machine and tool cutters : cutterheads

Assignees:
None

Manufacturer:
Not known to have been produced

Witnesses:
Charles E. B. Huestis
H. S. Sprague

Patent Dates:
Applied: Jul. 14, 1873
Granted: Sep. 09, 1873

Patent Pictures:
USPTO (New site tip)
Google Patents
Report data errors or omissions to steward Jeff Joslin

Copyright © 2002-2026 - DATAMP