Home| FAQ Search:Advanced|Person|Company| Type|Class Login
Quick search:
Patent number:
Patent Date:
first    back  next  last
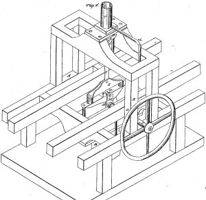
US Patent: 11,365
Mode of driving and straining saws
Patentees:
James Fishwick (exact or similar names) - Lexington, KY
John Fishwick (exact or similar names) - Lexington, KY

USPTO Classifications:
83/581.1, 83/784

Tool Categories:
woodworking machines : reciprocating saws : reciprocating sawmills
woodworking machines : sawmills : reciprocating sawmills

Assignees:
None

Manufacturer:
Not known to have been produced

Witnesses:
John S. Hansbro
D. M. Barkley

Patent Dates:
Granted: Jul. 25, 1854

Patent Pictures:
USPTO (New site tip)
Google Patents
Report data errors or omissions to steward Jeff Joslin
Description:
Yet another method of directly driving a reciprocating saw by attaching it to a piston in a steam cylinder. In this case, a second, smaller piston is used to properly tension the sawblade.

Copyright © 2002-2026 - DATAMP