Home| FAQ Search:Advanced|Person|Company| Type|Class Login
Quick search:
Patent number:
Patent Date:
first    back  next  last
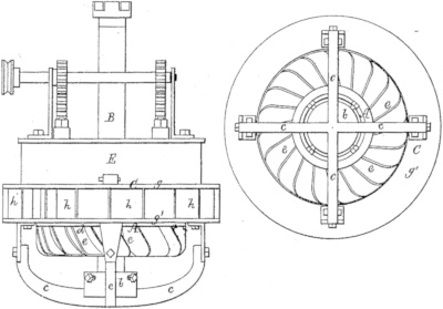
US Patent: 171,656
Improvement in turbines
Patentee:
David B. Flint (exact or similar names) - Orange, MA

USPTO Classifications:
415/186

Tool Categories:
propulsion and energy : water power : water wheels : turbine water wheels

Assignees:
Rodney Hunt Machine Co. - Orange, MA

Manufacturer:
Rodney Hunt Machine Co. - Orange, MA

Witnesses:
J. R. Snow
R. H. Eddy

Patent Dates:
Applied: Oct. 05, 1875
Granted: Jan. 04, 1876

Patent Pictures:
USPTO (New site tip)
Google Patents
Report data errors or omissions to steward Jeff Joslin
Vintage Machinery entry for Rodney Hunt Machine Co.

Copyright © 2002-2026 - DATAMP