Home| FAQ Search:Advanced|Person|Company| Type|Class Login
Quick search:
Patent number:
Patent Date:
first    back  next  last
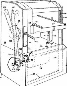
US Patent: 3,718,168
Planer
Patentee:
Emerson R. Berends (exact or similar names) - Tupelo, MS

USPTO Classifications:
144/117.1, 144/129

Tool Categories:
woodworking machines : cutter head machines : wood planers

Assignees:
Rockwell Mfg. Co. - Pittsburgh, PA

Manufacturer:
Rockwell Mfg. Co. - Pittsburgh, PA

Witnesses:
Unknown

Patent Dates:
Applied: Jan. 22, 1970
Granted: Feb. 27, 1973

Patent Pictures:
USPTO (New site tip)
Google Patents
Report data errors or omissions to steward Jeff Joslin
Vintage Machinery entry for Delta Specialty/Delta Mfg. Co./Delta-Rockwell/Rockwell Intl.

Copyright © 2002-2025 - DATAMP