Home| FAQ Search:Advanced|Person|Company| Type|Class Login
Quick search:
Patent number:
Patent Date:
first    back  next  last
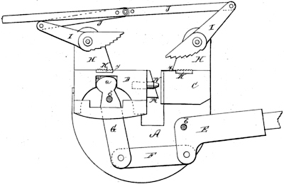
US Patent: 221,066
Improvement in tire-upsetting machines
Patentee:
William Holdsworth (exact or similar names) - Philadelphia, PA

USPTO Classifications:
72/302

Tool Categories:
specialty machines : metal tire apparatus : tire shrinkers
specialty tools : metal tire repair tools : tire shrinkers

Assignees:
None

Manufacturer:
Not known to have been produced

Witnesses:
H. A. Hall
W. C. McArthur

Patent Dates:
Applied: Jun. 26, 1879
Granted: Oct. 28, 1879

Patent Pictures:
USPTO (New site tip)
Google Patents
Report data errors or omissions to steward Jeff Joslin
Description:
Improvements to patent 169,265.

Copyright © 2002-2026 - DATAMP